四川职教升学参考

当前位置:首页 > 单招考试 > 备考指南 > 正文

2020年达州职业技术学院单招加工制造类专业职业技能考试样题

2020-03-17来源:本站采编

专业知识(应知)部分考试样题

(考试时间30分钟,满分100分)

一、单项选择(共15题,每题2分,合计30分)

下列选项中,只有一个是正确的。

1.如图所示,根据主、左视图,选出正确的俯视图( )。

A. a B. b C. c D. d

2.标注角度的尺寸数字一律按( )位置书写。

A. 向左B. 水平C. 向右 D. 倾斜

3.尺寸标注G1/2中1/2是( )。

A. 大径B. 公称直径C. 小径D. 尺寸代号

4.铰链四杆机构的死点位置发生在( )

A. 主动件与连杆共线位置B. 主动件与机架共线位置

C. 从动件与连杆共线位置D. 从动件与机架共线位置

5.可以承受不大的单方向的轴向力,上、下两面是工作表面的连接是( )。

A. 普通平键B. 楔键C. 半圆键D. 花键

6.含碳量小于0.25%的低碳钢锻件在切削加工之前的热处理应当是( )。

A. 完全退火B. 正火C. 球化退火D. 回火

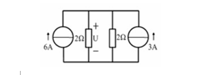
7.如图所示的电路中,电压U为()。

A. 12V B. 18V C. 9V

8.某支路的电流I = 250μA,若用安培(A)为单位表示应为()

A. I =0.00025A B. I = 250×10-6A C. I = 2.5×10-5A

二、多项选择 (共10题,每题2分,合计20分)

下列选项中,有一个或多个是正确的。

1.三视图的投影规律为( )

A. 长对正B. 高相等C. 高平齐D. 宽相等E. 长相等

2.根据孔和轴之间的配合松紧程度,配合分为( )

A. 间隙配合B. 松配合C. 紧配合D. 过渡配合E. 过盈配合

3.常用销的种类有( )

A. 圆柱销B. 圆锥销C. 插销D. 开口销

4.螺纹的几何要素包括( )

A. 旋向B. 直径C. 导程和螺距D. 线数E. 牙型

7.欲在两轴相距较远的条件下传递运动,宜选( )。

A. 带传动B. 链传动C. 齿轮传动D. 蜗杆传动

8.下面公式中正确的是()

A. C = QU B. C = Q/U C. Q = CU D. Q = U/C

三、判断 (共15题,每题2分,合计30分)

下列描述正确打(√),错误打(×)。

1.M10×1表示公称直径为10mm,螺距为1mm的单线右旋细牙普通螺纹。()

2.国家制图标准规定,图线的粗线、细线宽度比例为2:1。()

3.标注球面的直径或半径时,应在符号“Φ”或“R”前再加注符号"S"。()

4.零件图的标注尺寸中,“C2”中的C表示45度倒角。()

5.φ36H8中,“H8”是轴的公差带代号。()

四、填空(共10空,每空2分,合计20分)

1.在第一角投影中,空间点B (8,15,10)到H面的距离是____mm。

2.已知一圆锥齿轮传动,齿数分别是Z1=20,Z2=60,模数m=2,则其传动比i12=____。

3.有一螺旋传动机构,以双线螺杆驱动螺母作直线运动。已知螺距P=3mm,当螺杆转动两圈时,螺母位移的距离是_____mm。



技能操作(应会)部分样题

(考试时间45分钟,满分100分)

样题:按零件图尺寸锉削零件

样图(略)

更多相关信息参考:

达州职业技术学院2020年单招加工制造类专业职业技能考试大纲(中职类)

了解院校招生计划及录取分数:达州职业技术学院(达州职院(达职院))

相关资讯

版权所有 © 蜀川攻考 SCGKW.NET